• 首页

  • 关于古镇

    • 公司概况
    • 董事长致辞
    • 组织架构
  • 企业文化

    • 企业徽标
    • 企业价值观
    • 经营信条与宗旨
    • 企业使命
    • 企业愿景
  • 新闻中心

    • 公司动态
    • 领导关怀
    • 媒体报道
  • 公司项目

    • 项目地图
    • 项目建设
    • 资产经营
    • 质量安全
    • 项目法规
  • 党群工作

    • 党建专栏
    • 党风廉政建设
    • 工会
  • 下属子公司

    • 古镇商旅文
    • 古镇混凝土
    • 古镇智慧科技
    • 古镇历思联行
  • 通知公告

  • 联系我们

Previous Next
当前位置:景德镇市古镇投资管理有限公司 >> 通知公告 >> 浏览文章

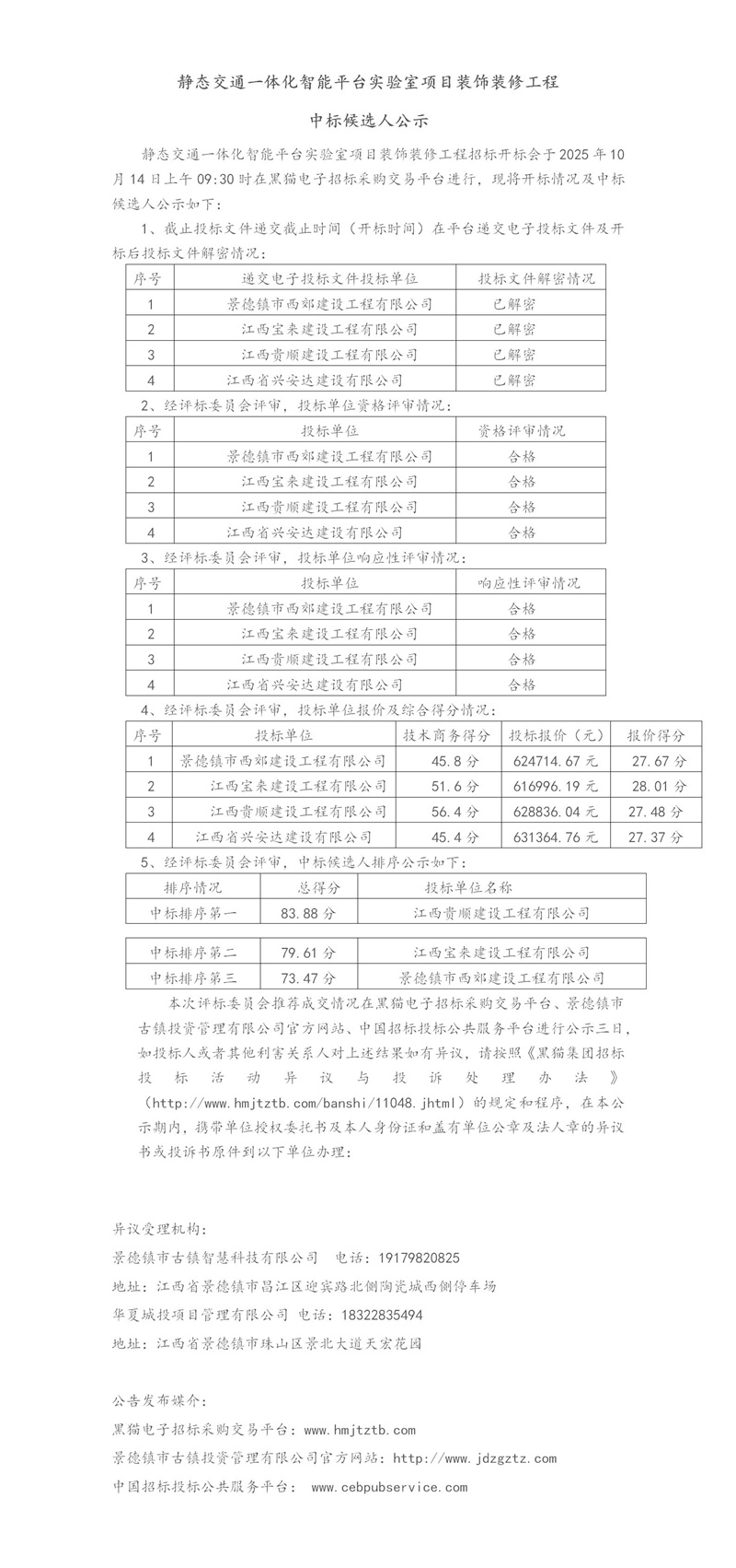
静态交通一体化智能平台实验室项目装饰装修工程中标候选人公示

静态交通一体化智能平台实验室项目装饰装修工程中标候选人公示

分享按钮
互动关注
新浪微博
古镇微信:JDZ_GZ
友情链接
  • © 2017 景德镇市古镇投资有限公司 备案号:赣ICP备17002815号-1